产品参数
| 型号 | 型号 | GN-HCG003-014L |
| 名称 | 30万像素网口面阵相机,PYTHON,彩色 | |
| 性能 | 传感器类型 | CMOS,全局快门 |
| 传感器型号 | PYTHON | |
| 像元尺寸 | 4.8 μm × 4.8 μm | |
| 靶面尺寸 | 1/3.6” | |
| 分辨率 | 640 × 480 | |
| 最大帧率 | 173 fps@640 × 480 | |
| 动态范围 | 59 dB | |
| 信噪比 | 39.9 dB | |
| 增益 | 0 dB ~ 9.5 dB | |
| 曝光时间 | 42 μs ~ 10 sec | |
| 快门模式 | 支持自动曝光、手动曝光、一键曝光模式 | |
| 黑白/彩色 | 彩色 | |
| 像素格式 | Mono 8/10/12 | |
| Bayer RG 8/10/10Packed/12/12Packed | ||
| YUV422Packed,YUV422_YUYV_Packed | ||
| RGB 8 | ||
| Binning | 支持1 × 1,1 × 2,2 × 1,1 × 4,4 × 1,2 × 2,2 × 4,4 × 2,4 × 4 | |
| 下采样 | 支持1 × 1,2 × 2 | |
| 镜像 | 支持水平镜像、垂直镜像 | |
| 电气特性 | 数据接口 | GigE |
| 数字I/O | 6-pin P7 接头提供供电和I/O:1 路光耦隔离输入(Line0),1 路光耦隔离输出(Line1),1 路双向可配置非隔离I/O(Line2) | |
| 供电 | 12 VDC,支持PoE供电 | |
| 典型功耗 | 3.0 W@12 VDC | |
| 结构 | 镜头接口 | C-Mount |
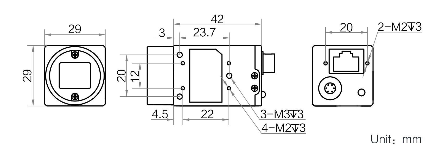
| 外形尺寸 | 29 mm × 29 mm × 42 mm | |
| 重量 | 约68 g | |
| IP防护等级 | IP30(正确安装镜头以及线缆的情况下) | |
| 温度 | 工作温度0 ~ 50℃,储藏温度-30 ~ 70℃ | |
| 湿度 | 20% ~ 80%RH 无冷凝 | |
| 一般规范 | 软件 | MVS 或第三方支持GigE Vision 协议软件 |
| 操作系统 | Windows XP/7/10 32/64bits,Linux 32/64bits 以及MacOS 64bits | |
| 协议/标准 | GigE Vision V1.2,GenICam | |
| 认证 | CE,FCC,RoHS,KC |
产品尺寸图














